MODEL XGQT3G

Grooved Mechanical Tee

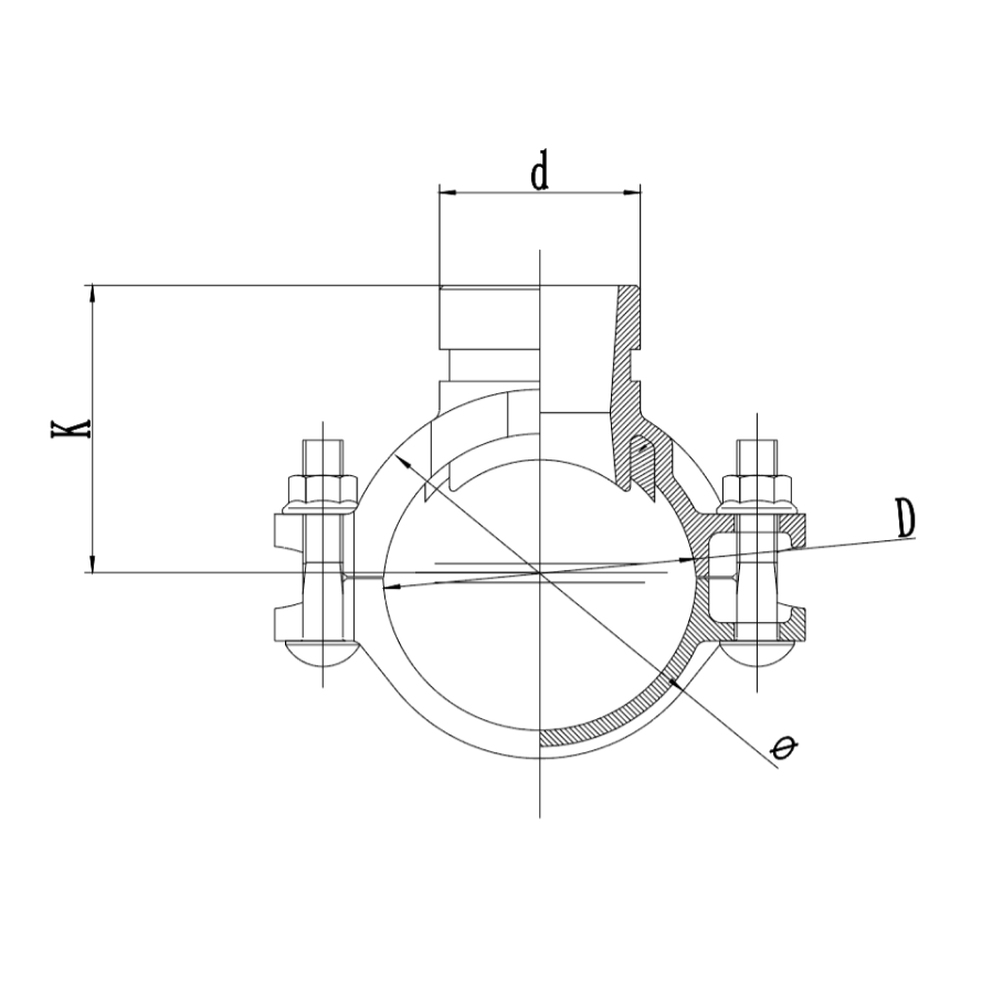
Coupling and Grooved Fittings

Grooved mechanical tee is a fitting used to create branch points in piping systems, and the various advantages of grooved piping systems include quick installation, low cost, and flexibility. These systems offer secure and leak-proof connections, enhancing the overall reliability and longevity of the system. Grooved connection systems are widely used in the chemical and petrochemical industries, power generation facilities, construction and infrastructure projects, fire suppression water systems, HVAC (Heating, Ventilation, and Air Conditioning) systems, and oil and gas pipelines.

Product Features

Approvals
UL, FM, CE
Working Pressure
300 Psi / 2070 kPa
Surface
Painted / Galvanized
Nominal Size
2"x1 1/4" - 8"x4" (DN50xDN32 - DN200xDN100)

Documents

Related products

Whatsapp Icon
Phone Icon
اتخن امراة فى العالم كله porndot.info دكتور ينيك المريضة
panjab x video pornudetube.mobi soundarya sex
سكس الجامعات nimila.mobi نيك في المدرسة
how heavy are the dumbells you lift hentai younghentai.net hentai monga
indian girl cum in mouth zotporn.net housewife fucked
gana.com hindi glossytube.mobi namsteporn
gaurav gogoi penytube.mobi sex sis bro
bengali blue picture video tubeband.mobi gonzo xxx japanese sex
centaur hentai manga adulthentai.net melancholy princess
andhra porn videos qporn.mobi hot nagma
indian cuckold twitter pornswille.com haryanavi sex video
tamil auntys sex videos analporntrends.com mumbai red street
شرموطه عين شمس arabysexy.org صباح سكس
clip ages.com borwap.pro xxx vidoso
the broken marriage vow may 31 2022 teleseryepinoytv.com ang probinsyano june 17 2022 abs cbn